Für das Smart Home

So wird die Türklingel zum Telefon

Man kann selbst dann auf Besucher reagieren, wenn man nicht zuhause ist.

Das vernetzte Zuhause ist in aller Munde. Über das Internet der Dinge vernetzte Geräte sind eindeutig auf dem Vormarsch. Mittlerweile sind smarte Kühlschränke, Zahnbürsten, LED-Lampen, Rauchmelder, Überwachungskameras, etc. im gut sortierten Fachhandel in einer großen Auswahl erhältlich. Was viele aber nicht wissen. Ein konsequentes Smart Home fängt bereits vor bzw. bei der Haustür an. Wir zeigen anhand einer Doorline von Telegärtner in Kombination mit einer Fritzbox wie das Ganze funktioniert. Stellen Sie sich folgendes Szenario vor: Es klingelt an der Tür, aber man steht gerade in der Dusche oder hat es sich auf dem Sofa bequem gemacht. Aufspringen und zur Gegensprechanlage zu rennen ist mit einer an eine Fritzbox angeschlossenen Doorline nicht mehr nötig. Stattdessen beantwortet man die Klingel ganz einfach und bequem über das Telefon . Mit der Rufweiterleitungsfunktion ist es außerdem möglich, den Anruf der Gegensprechanlage auf das Handy oder eine andere Rufnummer wie die des Nachbarn weiterzuleiten. Der kann dann z.B. das Paket des Postboten entgegennehmen, wenn man nicht zu Hause ist.

Einrichten einer neuen Telefonnummer für die Tür

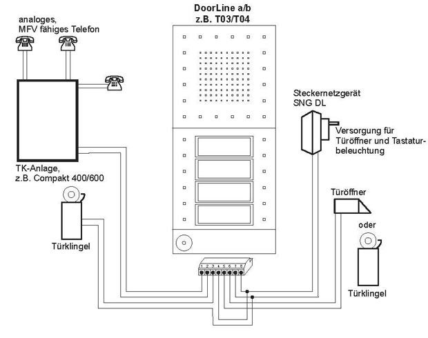
Eine Doorline funktioniert im Prinzip wie ein normales analoges Telefon, nur dass sie eben fest an der Haus- oder Wohnungstür installiert wird. Damit das Gerät optimal und quasi wie ein Telefon funktioniert, kann sie über eine eigene Rufnummer erreichbar sein. Wer an seinem Telefonanschluss bereits über genügend Rufnummern verfügt, vergibt eine ungenutzte Rufnummer für die Doorline oder richtet einfach eine neue, fiktive Rufnummer in der Fritzbox ein. Eine fiktive Rufnummer ist schnell im Menü „Telefonie“ unter „Internettelefonie“ und hier „neue Internetrufnummer hinzuzufügen“ eingerichtet. Man kann einen beliebigen Anbieter wie z.B. Sipgate wählen, eine beliebige Rufnummer eintragen (Bsp.: 12345) sowie ein beliebiges SIP-ID und SIP-Passwort vergeben. Danach meldet man die Doorline im Menü „Telefoniegeräte“ als ein neues analoges Telefon (über FON1 oder FON2) an. Sie sollte nur auf die ihr zugewiesene Rufnummer reagieren.  Soll das Doorline-Modul nicht auf Rundrufe der eigenen Telefone reagieren, empfiehlt es sich sie als Faxgerät an der Fritzbox anzumelden, denn Faxgeräte werden bei Rundrufen (**9) ignoriert.  Ab der Firmware FritzOS 6.50 lassen sich Doorlines aber auch gleich als Türsprechstelle anmelden. Um die internen Anrufe der Doorline zu vereinfachen, sollte die spontane Amtsholung am analogen Anschluss der Doorline deaktiviert werden. Für die Nebenstelle „FON1“ wird diese durch die Eingabe von #11*0*#91**deaktiviert.

So wird die Türklingel zum Telefon
© Telegärtner
Moderne Doorlines sind kleine Technikwunder.

Verkabelung

Eine Doorline verbindet die klassische Klingeldraht-Technik (2-Drähte) einer Türklingel mit der modernen Telefonanlage in der Fritzbox. Hierzu müssen die beiden Klingeldrähte mit einem Adapter auf ein RJ11 (Western) Stecker gecrimpt werden. Alternativ kann ein altes RJ11-Kabel mit Hilfe einer üblichen Lüsterklemme mit dem Klingeldraht verbunden werden. Der RJ11-Stecker sollte dann mit dem FON1 oder FON2 Anschluss der Fritzbox verbunden werden. Wer möchte, kann darüber hinaus auch bis zu zwei konventionelle Türklingeln, Türöffner-Relais oder auch andere Geräte an die Doorline anschließen.

Konfiguration

Je nach Doorline Typ und Hersteller können die Doorlines über mindestens vier verschiedene Wege konfiguriert werden: unabhängig von der TK Anlage, per App oder PC Software, am Gerät selber oder auch klassisch per Telefon-Befehle über MFV-Signale. Mit einer Fritzbox und aktueller Firmware ist die Einrichtung mittlerweile auch über die Benutzeroberfläche direkt möglich. Ganz gleich, welche Methode man zur Konfiguration wählt, ist die wichtigste Einstellung, was passieren soll, wenn eine Klingeltaste gedrückt wird. Möglich ist ein allgemeiner Rundruf (z.B. mit **9) an alle an dem AVM-Router angeschlossenen Telefone. Jeder Klingeltaste können bis zu zwei Zielrufnummern zugeordnet werden, wobei die zweite Rufnummer erst angewählt wird, falls die erste Rufnummer besetzt oder nicht erreichbar ist. Die internen Rufnummern aller an der Fritzbox angeschlossenen Telefoniegeräte findet man auf der Benutzeroberfläche des Routers unter Telefonbuch -> Interne Nummern.

Gute Doorline-Modelle verfügen außerdem über eine Apothekerschaltung, d.h. eine direkte Rufweiterleitung für jede Klingeltaste zu einer externen Rufnummer wie dem Handy. Solche Anrufweiterleitungen zum Beispiel auf das Handy oder ins Büro müssen an der Türsprechstelle eingerichtet werden, da ein interner Anruf in der Fritzbox nicht extern weitergeleitet werden kann.

Ist die Doorline am FON1-Anschluss des Routers angeschlossen, erreicht man sie intern also unter **1. Es empfiehlt sich zunächst die Telefone im Haus als Zielrufnummer einzurichten. Soll die Doorline zeitverzögert auf dem Handy anrufen, gibt man als zweite Zielrufnummer der Klingeltaste beispielsweise die Mobilfunknummer an. Weitere Details und eine Schritt-für-Schritt-Einrichtung finden sich im Handbuch der jeweiligen Doorline.

Nach der Einrichtung der Zielrufnummer können häufig noch weitere Geräte an die Doorline angeschlossen werden. Neben einer klassischen Türklingel bzw. einem Türgong lassen sich auch ein elektrischer Türöffner oder andere Dinge wie Licht oder eine Garagentüre über die Relais-Schaltung der DoorLine-Modelle schalten, was dann vom Telefon oder dem Handy ebenfalls fernbedient werden kann. Wer noch mehr Dinge schalten will, kann manche Doorline-Modelle auch mit einer I/O-Box erweitern.

So wird die Türklingel zum Telefon
© Telegärtner

Gemeinsame Türsprechstelle für mehrere Familien

Häufig wird die Türsprechstelle an der Haustüre von zwei oder mehreren Familien gemeinsam genutzt, also zum Beispiel oben die Familie Müller und unten die Familie Schmidt. Oder oben die Familie und unten das Büro. Daher sollte man beim Kauf einer Doorline darauf achten, ob die Türsprechstelle sich an zwei oder mehrere TK-Anlagen anschließen lässt. Diese Mehrparteienfähigkeit einer Türsprechstelle wird oft durch eine sogenannte Switch-Box gehandhabt, die je nach Klingeltaste eine andere Fritzbox oder einen anderen Speedport anklingelt. 

Viele Extras und Zusatznutzen

Je nach Doorline-Modell gibt es viele zusätzliche Funktionen und Extras, die je nach Anwendungsszenario einen großen Zusatznutzen bringen können. Auf alle Funktionen kann man nicht eingehen, aber beispielsweise wird die Zugangskontrolle per Code gerne von Familien genutzt. Statt ihren Kindern eigene Haustürschlüssel mitzugeben, können manche Türsprechstellen dem Kind auch per Code-Eingabe die Türe öffnen. Sehr clever kann auch eine Zeitsteuerung bei einer Türsprechstelle genutzt werden. So lassen sich die Zielrufnummern zu gewissen Uhrzeiten ändern und nach Feierabend auf einen Anrufbeantworter oder eben direkt aufs Handy leiten. So individuell der Alltag eines jeden Nutzers auch sein mag, so individuell lässt sich auch die Türkommunikation gestalten. Und auf alle Fälle gehört ein knapp verpasster Besuch oder Postbote mit einer Doorline schnell der Vergangenheit an.

So wird die Türklingel zum Telefon
© Telegärtner
Telegärtner bietet sein Flaggschiff in diversen Varianten an.

Fehler im Artikel gefunden? Jetzt melden.

AVM-Neuheiten der IFA 2016

Fritzbox 7580

Fritzbox 7560

Fritzbox 6430 Cable

Fritzbox 4040

Fritz DECT 300

Fritz DECT 210

Fritz WLAN Stick AC 430 MU-MIMO

Fritz Powerline 1260E

MyFritzApp 2 für Android

OE24 Logo
Es gibt neue Nachrichten